Игровая мебель
Кровати
Стенки, стеллажи и шкафы
Столы и стулья
Фотогалерея
Прайс-лист
ГОСТы по детской мебели
Контакты
|
ГОСТыГОСТы по детской мебелиГОСТ 19301.3-94 Группа К25 МЕЖГОСУДАРСТВЕННЫЙ СТАНДАРТ МЕБЕЛЬ ДЕТСКАЯ ДОШКОЛЬНАЯ
Функциональные размеры кроватей МКС 97.140 ОКП 56 1800 Дата введения 1996-01-01
Предисловие 1 РАЗРАБОТАН Всероссийским проектно-конструкторским и технологическим институтом мебели (ВПКТИМ), Техническим комитетом по стандартизации ТК 135 "Мебель" ВНЕСЕН Госстандартом России 2 ПРИНЯТ Межгосударственным советом по стандартизации, метрологии и сертификации (протокол N 6 от 21 октября 1994 года) За принятие проголосовали:
3 Постановлением Комитета Российской Федерации по стандартизации, метрологии и сертификации от 08.02.95 N 48 Межгосударственный стандарт ГОСТ 19301.3-94 введен в действие непосредственно в качестве государственного стандарта Российской Федерации с 1 января 1996 года 4 ВЗАМЕН ГОСТ 19301.3-73 5 ПЕРЕИЗДАНИЕ. Май 2005 г. 1 Область применения Настоящий стандарт распространяется на детские кровати, предназначенные для использования в спальных помещениях дошкольных учреждений и в быту, и устанавливает их функциональные размеры. Обязательные требования, обеспечивающие безопасность жизни детей, изложены в разделах 2 и 3. 2 Типы 2.1 Детские кровати должны изготовляться двух типов: I - кровать с ограждением и переменной высотой ложа для детей до 3 лет; II - кровать для детей в возрасте от 3 до 7 лет. 3 Размеры 3.1 Функциональные размеры детских кроватей должны соответствовать указанным на рисунках 1 и 2. Тип I
Рисунок 1 Тип II
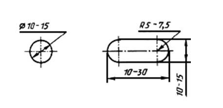
Рисунок 2 3.2 Расстояния между вертикальными стойками ограждения должны быть 60-100 мм. 3.3 Размеры вертикальных стоек ограждения должны соответствовать указанным на рисунке 3.
Рисунок 3 3.4 В кроватях типа I должна быть предусмотрена возможность перемещения вниз бокового ограждения в процессе эксплуатации не менее чем на 135 мм. Допускается по согласованию с потребителем изготовлять кровати типа I без перемещения вниз бокового ограждения. 3.5 В ограждение допускается вводить дополнительный горизонтальный брусок на высоте не менее 815 мм от пола. 3.6 По согласованию с потребителем допускается изготовлять детские кровати с большей длиной ложа для жилых помещений и для детских дошкольных учреждений, если это соответствует установленным санитарным нормам для размещения. Текст документа сверен по: официальное издание М.: Стандартинформ, 2005 |












